Изготовление деталей из металла по чертежам

Металлообработка изделий по Вашим чертежам с доставкой по РФ

Об услуге

Что мы предлагаем

Компания «Корст-Лазер» специализируется на производстве металлических деталей любой сложности по индивидуальным чертежам заказчика. Мы предлагаем полный цикл изготовления от мелкосерийного производства до крупных промышленных партий.

Наш производственный потенциал позволяет создавать как небольшие детали, так и масштабные узлы. В нашем портфолио — изготовление валов, муфт, корпусов, кронштейнов и других ответственных элементов механизмов. Каждый проект выполняется с учетом технических требований заказчика и соблюдением высоких стандартов качества.

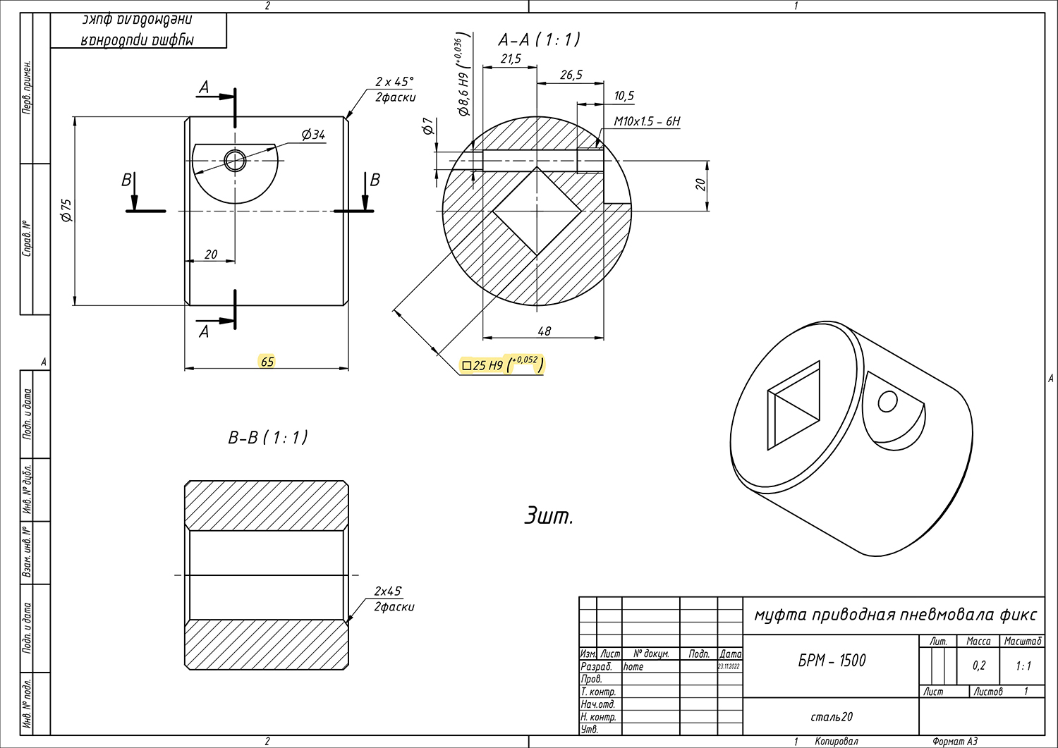
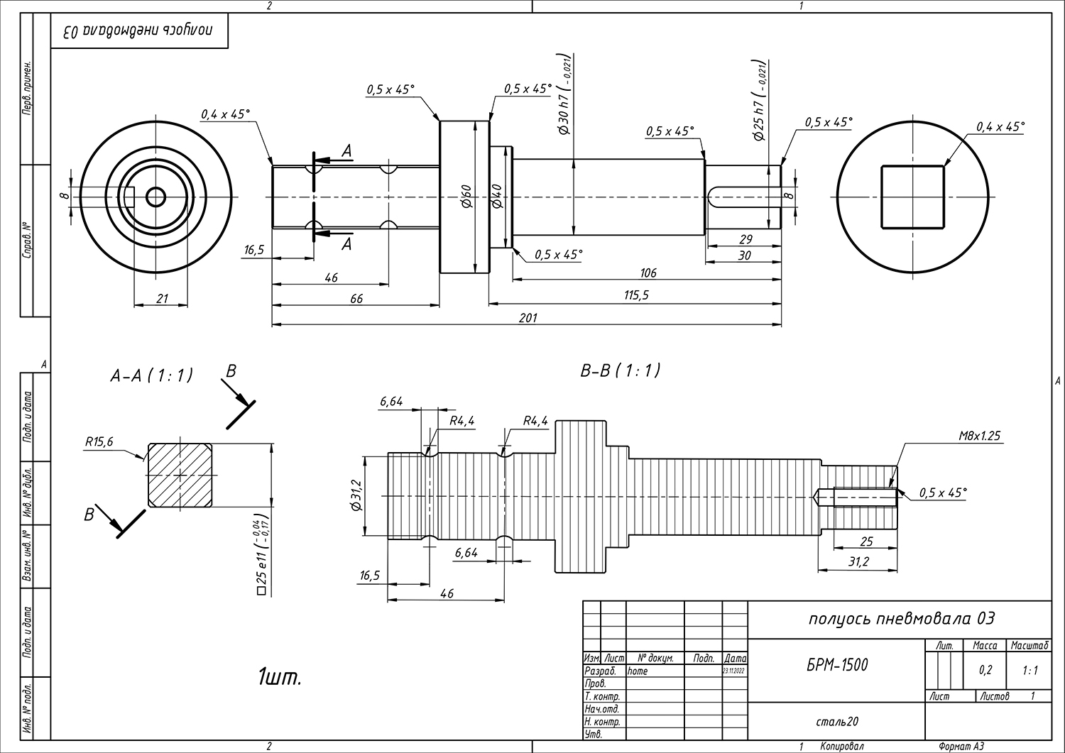
примеры чертежей для изготовления деталей

Современное оборудование и опыт наших специалистов обеспечивают точность исполнения и соответствие всем заявленным параметрам. Мы работаем с различными видами металлов и сплавов, что позволяет подобрать оптимальное решение для каждого конкретного случая.

Гибкая производственная система дает возможность оперативно реагировать на запросы клиентов, будь то единичные изделия или крупные партии. Мы гарантируем соблюдение сроков изготовления и индивидуальный подход к каждому проекту.

Доверьте изготовление металлических деталей профессионалам!

Минимальная сумма заказа на индивидуальное изготовление деталей и изделий: 50 000 руб.

О нас

Наши возможности

Размеры

Обрабатываем заготовки больших размеров

Оборудование

Собственный парк оборудования с высокой точностью обработки

Материалы

Закупим металл и изготовим Ваши изделия из него

Доставка по РФ

Доставим Ваш заказ в любом объеме в любой город РФ

Есть вопросы по услуге?

Позвоните нам и получите подробную консультацию по заказу.

У Вас есть чертежи и нужен расчет стоимости? Присылайте на почту korstlazer@yandex.ru

Контакты

Контакты и схема проезда

Адрес

Пензенская область, с. Бессоновка

ул. Дорожная 24

Часы работы

Понедельник - Пятница

9:00 - 17:00

Услуги

Наши услуги

Лазерная резка металла и труб
Лазерная резка труб и профиля
Лазерная зачистка металла
Гибка металла
Рубка металла
Токарная обработка металла
Фрезерная обработка металла
Распиловка металлопроката
Электроэрозионная обработка металла
Лазерная сварка металла
Изготовление изделий